Preview

This is your website preview.

Currently it only shows your basic business info. Start adding relevant business details such as description, images and products or services to gain your customers attention by using Boost 360 android app / iOS App / web portal.

CUBANOENGINEERINGINDIAPVTLT 639adb20c1411c0001ad2ff4 Products https://www.lugsmanufactureindia.com
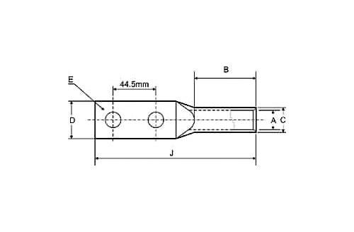
cable lugs 2 holes
With / Without Inspection Hole Cable Lugs 2 Holes manufactured from soft drawn, pure, high conductivity copper tubes conforming to BS197. They are fully annealed to ensure qualities of electrical and mechanical strength. These are also produced from aluminum tube.
CABLE LUGS 2 HOLES
VIEW DETAILS

Filter using tags

DOUBLE COMPRESSION FLAMEPROOF TYPE BRASS CABLE GLABRASS BRIGHT PRE-TINNED MALE/FEMALE PINSFLANGE TYPE BRASS CABLE GLANDCENTER SPLICE TERMINALPHOSPHOROUS BRONZE SNAP ON FEMALE TERMINALS FOR CLBRASS SNAP - ON TYPE BULLET FEMALE TERMINALBRASS SNAP - ON FEMALE TERMINALS WITH POSITIVE DIMAIR TERMINAL LIGHTNING RODCOPPER REDUCER TYPE TERMINAL ENDSPURE COPPER EARTH RODEXTENDED PALM CABLE LUGSRING TONGUE TERMINAL ENDSSINGLE COMPRESSION SIEMENS TYPE HEAVY DUTY(SIBG) BCOPPER PIN TYPENARROW PALM CABLE LUGSCOPPER CRIMPING TYPE IN-LINE CONNECTORSBW BRASS GLANDSBRASS ROUND HOOK TERMINALNICKEL PLATED BRASS CABLE GLANDSSOLID COPPER EARTHING RODSBRASS SNAP - ON FOLDED MALE TAB FOR SOCKET CONNECTDOUBLE COMPRESSION FLAMEPROOF BRASS CABLE GLANDBRASS MID JOINT TERMINALBRASS SIDE FORK TERMINALSCOPPER CONNECTORCABLE LUGS AUSTRALIAN STANDARDDOUBLE COMPRESSION WEATHER PROOF BRASS CABLE GLANDALUMINIUM TUBULAR IN- LINE CONNECTORSALUMINIUM TUBULAR TERMINALS ENDS WITH LONG BARRELBRASS SNAP - ON FEMALE TERMINALS WITH LANCING FOR COMPRESSION TYPE ALUMINIUM TUBULAR TERMINAL ENDSAERIAL TERMINAL LIGHTNING ROD & BASECOPPER BONDED EARTH RODSCOPPER REDUCERCABLE CONNECTORS AUSTRALIAN STANDARDCW BRASS CABLE GLANDSINGLE COMPRESSION SIEMENS TYPE LONG NIPPLE BRASS ALUMINIUM REDUCERCOPPER CONNECTOR (THREE HOLE) (NEW DEVELOPMENT)COPPER CONNECTOR (SINGLE HOLE) (NEW DEVELOPMENT)COPPER TUBULAR HOLLOW PIN TYPEBRASS SNAP ON TYPE MALE/FEMALE TERMINAL( 110 SERIEBONDED RODCABLE LUGS BELL MOUTHCOPPER T-TYPE TERMINALSA2 BRASS CABLE GLANDSBRASS SNAP- ON FEMALE/RING TERMINALS (110 SERIES)COPPER TUBULAR IN-LINE CONNECTORSCENTRAL PALM ALUMINIUM TERMINAL ENDSCOPPER TUBULAR IN-LINE CONNECTORS-LONG BARRELCABLE LUGS 2 HOLESFORK TYPESINGLE COMPRESSION SIEMENS TYPE BRASS CABLE GLANDFLEXIBLE COPPER BRAID BONDSBRASS SNAP - ON TYPE MALE TERMINAL WITH LANCING (NALUMINIUM CRIMPING TYPE LUG FOR XLPE CABLEBRASS EARTH TAGSCOPPER PIN TYPE TERMINAL ENDSBRASS SNAP - ON TYPE MALE TERMINALE1W BRASS CABLE GLANDSBRASS SNAP - ON RING TERMINALS (NEW DEVELOPMENT)TRANSFORMER CABLE LUGSBRASS SNAP - ON BULLET TYPE MALE TERMINALBRASS CENTER SPLICE TERMINALS FOR INLINE CONNECTIOALUMINIUM IN-LINE CRIMPING TYPE CONNECTORSCOPPER RING TONGUE TERMINAL ENDSTWIN CORD END TERMINALSINSULATED FERRULESCOPPER RING TONGUE SLOTTEDCOPPER TUBULAR TERMINAL ENDS FOR SOLDERLESS CRIMPIWEAK-BACK TYPE SOLDERING FERRULESCOPPER RECTANGULAR FORK TYPE TERMINAL ENDSCOPPER RECTANGULAR INSULATED FORK TYPE TERMINALCOPPER FORK HOOK TERMINAL ENDSRECTANGULAR TONGUE FORK TERMINAL ENDSCOPPER TUBULAR END SEALING FERRULESCOPPER TUBULAR TERMINAL ENDS LONG BARRELCOPPER RING TOUNGE TERMINAL ENDSCOPPER RING TONGUE FORK TERMINAL ENDSCOPPER TUBULAR TERMINAL ENDSMULTIPLE POINTCOPPER RING TONGUESOLDERING TYPE TUBULAR CABLE LUGSCOPPER TUBULAR TERMINAL ENDS FOR SOLDERLESSCOPPER TUBULAR CRIMPING TERMINAL ENDSCOPPER RING TOUNGE FORK TERMINAL ENDSCOPPER TUBULAR TERMINAL ENDS EXTENDEDCOPPER RING TONGUE TERMINAL ENDS( INSULATEDCOPPER FORK TYPE TERMINALSCOPPER HOOK TERMINAL ENDCOPPER TUBULAR TERMINALS ENDSCOPPER CABLE SOCKETOPEN-CLOSE TYPE SOLDERING CABLE SOCKETSRECTANGULAR INSULATED FORK TYPE TERMINAL ENDSTUBULAR TERMINAL ENDSCOPPER RING TONGUE LONG BARRELCOPPER TUBULAR TERMINAL ENDS FOR XLPE CABLESCUBANO COPPER TUBULAR TERMINAL ENDSRECTANGULAR TONGUE FORK TYPE TERMINAL ENDSCOPEER TUBEIN-LINE CONNECTORSCOPPER RING TONGUE TERMINALS ENDSCOPPER TONGUE TERMINAL ENDSRING TONGUE SLOTTED (LOCK) HOLE TERMINAL
DOUBLE COMPRESSION FLAMEPROOF TYPE BRASS CABLE GLA |BRASS BRIGHT PRE-TINNED MALE/FEMALE PINS |FLANGE TYPE BRASS CABLE GLAND |CENTER SPLICE TERMINAL |PHOSPHOROUS BRONZE SNAP ON FEMALE TERMINALS FOR CL |BRASS SNAP - ON TYPE BULLET FEMALE TERMINAL |BRASS SNAP - ON FEMALE TERMINALS WITH POSITIVE DIM |AIR TERMINAL LIGHTNING ROD |COPPER REDUCER TYPE TERMINAL ENDS |PURE COPPER EARTH ROD |EXTENDED PALM CABLE LUGS |RING TONGUE TERMINAL ENDS |SINGLE COMPRESSION SIEMENS TYPE HEAVY DUTY(SIBG) B |COPPER PIN TYPE |NARROW PALM CABLE LUGS |COPPER CRIMPING TYPE IN-LINE CONNECTORS |BW BRASS GLANDS |BRASS ROUND HOOK TERMINAL |NICKEL PLATED BRASS CABLE GLANDS |SOLID COPPER EARTHING RODS |BRASS SNAP - ON FOLDED MALE TAB FOR SOCKET CONNECT |DOUBLE COMPRESSION FLAMEPROOF BRASS CABLE GLAND |BRASS MID JOINT TERMINAL |BRASS SIDE FORK TERMINALS |COPPER CONNECTOR |CABLE LUGS AUSTRALIAN STANDARD |DOUBLE COMPRESSION WEATHER PROOF BRASS CABLE GLAND |ALUMINIUM TUBULAR IN- LINE CONNECTORS |ALUMINIUM TUBULAR TERMINALS ENDS WITH LONG BARREL |BRASS SNAP - ON FEMALE TERMINALS WITH LANCING FOR |COMPRESSION TYPE ALUMINIUM TUBULAR TERMINAL ENDS |AERIAL TERMINAL LIGHTNING ROD & BASE |COPPER BONDED EARTH RODS |COPPER REDUCER |CABLE CONNECTORS AUSTRALIAN STANDARD |CW BRASS CABLE GLAND |SINGLE COMPRESSION SIEMENS TYPE LONG NIPPLE BRASS |ALUMINIUM REDUCER |COPPER CONNECTOR (THREE HOLE) (NEW DEVELOPMENT) |COPPER CONNECTOR (SINGLE HOLE) (NEW DEVELOPMENT) |COPPER TUBULAR HOLLOW PIN TYPE |BRASS SNAP ON TYPE MALE/FEMALE TERMINAL( 110 SERIE |BONDED ROD |CABLE LUGS BELL MOUTH |COPPER T-TYPE TERMINALS |A2 BRASS CABLE GLANDS |BRASS SNAP- ON FEMALE/RING TERMINALS (110 SERIES) |COPPER TUBULAR IN-LINE CONNECTORS |CENTRAL PALM ALUMINIUM TERMINAL ENDS |COPPER TUBULAR IN-LINE CONNECTORS-LONG BARREL |CABLE LUGS 2 HOLES |FORK TYPE |SINGLE COMPRESSION SIEMENS TYPE BRASS CABLE GLAND |FLEXIBLE COPPER BRAID BONDS |BRASS SNAP - ON TYPE MALE TERMINAL WITH LANCING (N |ALUMINIUM CRIMPING TYPE LUG FOR XLPE CABLE |BRASS EARTH TAGS |COPPER PIN TYPE TERMINAL ENDS |BRASS SNAP - ON TYPE MALE TERMINAL |E1W BRASS CABLE GLANDS |BRASS SNAP - ON RING TERMINALS (NEW DEVELOPMENT) |TRANSFORMER CABLE LUGS |BRASS SNAP - ON BULLET TYPE MALE TERMINAL |BRASS CENTER SPLICE TERMINALS FOR INLINE CONNECTIO |ALUMINIUM IN-LINE CRIMPING TYPE CONNECTORS |COPPER RING TONGUE TERMINAL ENDS |TWIN CORD END TERMINALS |INSULATED FERRULES |COPPER RING TONGUE SLOTTED |COPPER TUBULAR TERMINAL ENDS FOR SOLDERLESS CRIMPI |WEAK-BACK TYPE SOLDERING FERRULES |COPPER RECTANGULAR FORK TYPE TERMINAL ENDS |COPPER RECTANGULAR INSULATED FORK TYPE TERMINAL |COPPER FORK HOOK TERMINAL ENDS |RECTANGULAR TONGUE FORK TERMINAL ENDS |COPPER TUBULAR END SEALING FERRULES |COPPER TUBULAR TERMINAL ENDS LONG BARREL |COPPER RING TOUNGE TERMINAL ENDS |COPPER RING TONGUE FORK TERMINAL ENDS |COPPER TUBULAR TERMINAL ENDS |MULTIPLE POINT |COPPER RING TONGUE |SOLDERING TYPE TUBULAR CABLE LUGS |COPPER TUBULAR TERMINAL ENDS FOR SOLDERLESS |COPPER TUBULAR CRIMPING TERMINAL ENDS |COPPER RING TOUNGE FORK TERMINAL ENDS |COPPER TUBULAR TERMINAL ENDS EXTENDED |COPPER RING TONGUE TERMINAL ENDS( INSULATED |COPPER FORK TYPE TERMINALS |COPPER HOOK TERMINAL END |COPPER TUBULAR TERMINALS ENDS |COPPER CABLE SOCKET |OPEN-CLOSE TYPE SOLDERING CABLE SOCKETS |RECTANGULAR INSULATED FORK TYPE TERMINAL ENDS |TUBULAR TERMINAL ENDS |COPPER RING TONGUE LONG BARREL |COPPER TUBULAR TERMINAL ENDS FOR XLPE CABLES |CUBANO COPPER TUBULAR TERMINAL ENDS |RECTANGULAR TONGUE FORK TYPE TERMINAL ENDS |COPEER TUBEIN-LINE CONNECTORS |COPPER RING TONGUE TERMINALS ENDS |COPPER TONGUE TERMINAL ENDS |RING TONGUE SLOTTED (LOCK) HOLE TERMINAL

Have any question or need any business consultation?

Have any question or need any business consultation?

Contact Us